Снегоход Тайга
 
 руководство по ремонту и эксплуатации
           

Эксплуатация    Двигатель   Трансмиссия   Подвески    Корпус/рама   Электрика/схемы    Каталог з/ч
 
Корпус, сиденье
Наклейки
Капот
Двигатель
Картер
Вал коленчатый, поршни
Цилиндровая группа и элементы систем впуска и выпуска
Стартер ручной
Система впрыска масла
Бак масляный с опорной стойкой
Система питания
Система питания
Глушитель шума впуска
Глушитель
Система охлаждения
Коробка передач
Шкив вариатора ведомый
Регулятор центробежный
Вал ведущий, гусеница, привод управления коробкой передач и кожух вариатора
Подвеска передняя и лыжа
Подвеска ходовой части
Управление рулевое
Тормоз
Органы управления, осветительные и сигнальные приборы
Система зажигания
Система электрозапуска
Дополнительные принадлежности к электрооборудованию
Спидометр, привод спидометра

Система охлаждения



Система охлаждения







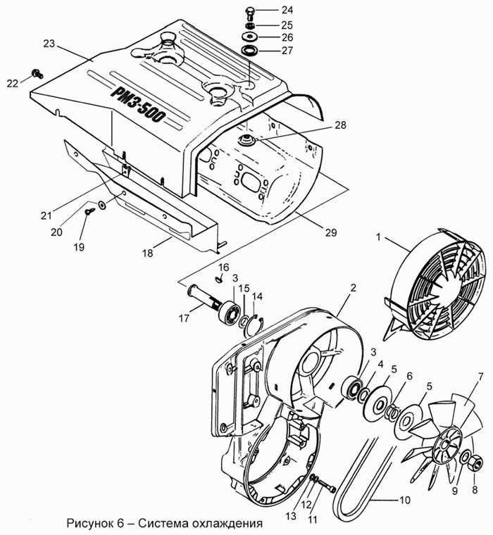
  Номер детали Наименование детали Кол-во на модель
С40500300 Кожух верхний 1
1 С40500004 Воздухозаборник 1
2 С40500038 Корпус вентилятора 1
3 Подшипник 76-180203 С17 ГОСТ 8882-75 Подшипник 76-180203 С17 ГОСТ 8882-75 2
4 С40500028 Кольцо распорное 1
5 С40500136 Шкив 2
6 С40500029 Кольцо регулировочное 5
7 С40500035 Крыльчатка вентилятора 1
8 Гайка М16х1,5-61-1.6.016 ГОСТ 5916-70 Гайка М16х1,5-61-1.6.016 ГОСТ 5916-70 1
9 Шайба волнистая 1/26017/71 Автонормаль 1 Шайба волнистая 1/26017/71 Автонормаль 10189 1
10 С40500189 Ремень клиновой вентиляторный 1
11 Винт М6-6gх30.88.35Х.016 ГОСТ 11738-84 Винт М6-6gх30.88.35Х.016 ГОСТ 11738-84 4
12 Шайба 6.65Г.019 ГОСТ 6402-70 Шайба 6.65Г.019 ГОСТ 6402-70 4
13 Шайба 6.01.10.016 ГОСТ 11371-78 Шайба 6.01.10.016 ГОСТ 11371-78 5
14 Кольцо А40 ГОСТ 13943-86 Кольцо А40 ГОСТ 13943-86 1
15 С40500027 Шайба 1
16 Шпонка 3х5 ГОСТ 24071-80 Шпонка 3х5 ГОСТ 24071-80 2
17 С40500034 Валик 1
18 С40500200 Кожух задний 1
19 Винт 2-5х16.10.019 ГОСТ 11650-80 Винт 2-5х16.10.019 ГОСТ 11650-80 7
20 Шайба 5.01.10.016 ГОСТ 6958-78 Шайба 5.01.10.016 ГОСТ 6958-78 7
21 С40600064 Скоба 7
22 Болт М6-6gх12.88.35.019 ГОСТ 7798-70 Болт М6-6gх12.88.35.019 ГОСТ 7798-70 1
23 С40500300-01 Кожух верхний 1
24 Болт М8-6gх20.88.35.013 ГОСТ 7796-70 Болт М8-6gх20.88.35.013 ГОСТ 7796-70 4
25 Шайба 8.65Г.016 ГОСТ 6402-70 Шайба 8.65Г.016 ГОСТ 6402-70 4
26 Шайба 8.01.10.016 ГОСТ 6958-78 Шайба 8.01.10.016 ГОСТ 6958-78 4
27 С40500071 Кольцо уплотнительное 4
28 С40500068 Шайба тарельчатая 4
29 С40500062 Кожух передний 1