Уважаемые друзья!
Наш сайт переехал на новый адрес.
Перейдите на ЭТУ ЖЕ СТРАНИЦУ НА НОВОМ САЙТЕ
Там гораздо лучше!
 
                     
Снегоход Тайга
 
 руководство по ремонту и эксплуатации
           

Эксплуатация    Двигатель   Трансмиссия   Подвески    Корпус/рама   Электрика/схемы    Каталог з/ч
 
Электрооборудование
Обслуживание электрооборудования
Система зажигания
Неисправности электооборудования
Свечи зажигания
Аккумуляторная батарея
Электростартер
Проверка систем зажигания и освещения
Расцветка и назначение проводов
Электроразъёмы
Электросхемы

Проверка систем зажигания и освещения



Идентификация системы зажигания

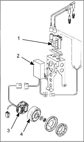
Система зажигания РЗП

В зависимости от исполнения конструкции снегохода, элементы системы зажигания могут иметь два варианта расположения.

система зажигания

Расположение элементов системы зажигания с креплением на раме снегохода:

1. Катушка зажигания

2. Коммутатор

3. Статор (основание) магдино

4. Маховик магдино

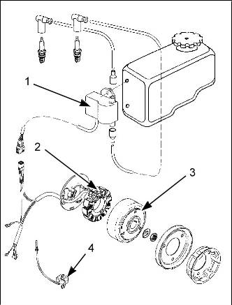
Расположение элементов системы зажигания с креплением на маслобаке:

1. Катушка зажигания

2. Коммутатор

3. Статор (основание) магдино

4. Маховик магдино

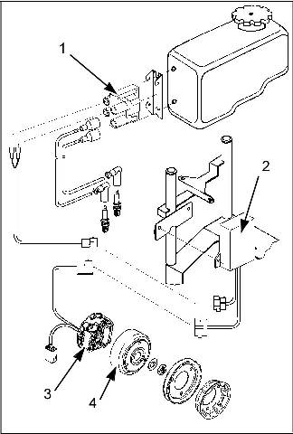
Система зажигания DUCATI

В зависимости от исполнения конструкции снегохода, элементы системы зажигания могут иметь два варианта расположения.

Расположение элементов системы зажигания с креплением на раме снегохода:

1. Коммутатор со встроенным трансформатором

2. Статор (основание) магдино

3. Маховик магдино

4. Датчик

Расположение элементов системы зажигания с креплением на маслобаке:

1. Коммутатор со встроенным трансформатором

2. Статор (основание) магдино

3. Маховик магдино

4. Датчик

Последовательность проверки системы зажигания

В случае возникновения проблем с зажиганием, выполните следующие проверки:

  • проверка искрообразования (состояния свечей)

  • проверка электрических соединений

  • проверка замка зажигания, выключателя со шнуром, выключателя экстренного останова на руле

  • проверка напряжения на зарядной катушке статора

  • проверка напряжения на датчике

  • проверка напряжения на коммутаторе (для системы РЗП)

  • проверка высоковольтного трансформатора (катушки зажигания)

Последовательность проверки системы освещения:

  • проверка разъема

  • проверка напряжения на катушке освещения

УСЛОВИЯ ПРОВЕРКИ

Измерение напряжения производится при запуске двигателя.

При запущенном двигателе показания будут выше указанных. Проверку следует проводить при комнатной температуре ( 20 ºС), в противном случае возможны искажения.

АНАЛИЗ ПОКАЗАНИЙ

Напряжение

При проверке различных компонентов магдино, важно учитывать тот факт, что показания могут меняться в зависимости от силы, прикладываемой к ручному стартеру.

Следовательно, при каждой проверке необходимо прикладывать достаточное усилие к ручному стартеру. При слишком низком значении, деталь считается дефектной и должна быть заменена.

Сопротивление

Установите переключатель мультиметра в положение "" для измерения сопротивления. Показания прибора должны соответствовать указанным. В противном случае деталь считается неисправной и ее следует заменить.

МЕРЫ ПРЕДОСТОРОЖНОСТИ

При замерах не допускается запускать двигатель, так как показания могут быть искажены

Работа зажигания с перебоями

Достаточно трудно определить причину неисправности, при работе системы зажигания с перебоями. Например, если возникают проблемы при рабочей температуре двигателя, имеет смысл проверять систему при тех же условиях.

Большинство неисправностей нельзя обнаружить без запуска двигателя.

Фактически неисправными могут быть несколько компонентов. Поэтому при замене одной детали проблема может оставаться. В данном случае проверку следует проводить с самого начала для определения неисправного компонента.

Проверка искрообразования

Во время этой операции важно использовать рабочую свечу снегохода, а не новую. Замкните корпус свечи на массу. Если нет искры, попробуйте новую и проведите операцию еще раз.

Проверка электрических соединений

Убедитесь, что все соединения находятся в исправном состоянии.

ПРОВЕРКА ЗАМКА ЗАЖИГАНИЯ, ВЫКЛЮЧАТЕЛЯ СО ШНУРОМ И ВЫКЛЮЧАТЕЛЯ НА РУЛЕ

Отсоедините колодку от двигателя и проверьте сопротивление, как указано в таблице "Проверка системы зажигания".

Если показания приемлемы, переходите к следующему шагу.

Если показания неприемлемы, отдельно проверьте каждый выключатель следующим образом.

Замок зажигания

Отсоедините колодку. При помощи мультиметра проверьте цепь между контактами 1 и 4 (черный и коричневый)

Мультиметр должен показывать замкнутую цепь в положении "1-выключено" и разомкнутую цепь в положении "2-включено".

Проверьте цепь запуска электростартера между контактами 2 и 5 (красный и зеленый). Мультиметр должен показывать замкнутую цепь в положении "3-запуск". Если показания приемлемы, проверьте следующие выключатели.

Выключатель экстренного останова на руле

Разомкните разъем от основного жгута. Подсоедините щупы прибора к черному и коричневому проводам. Мультиметр должен показывать разомкнутую цепь в положении "включено" (кнопка в верхнем положении) и замкнутую цепь в положении "выключено" (кнопка в нижнем положении).

Если показания прибора не соответствуют вышеуказанным – замените выключатель.

Если показания приемлемы, проверьте другие выключатели.

Выключатель аварийного останова со шнуром

Разомкните разъем от основного жгута. Подсоедините щупы прибора к выключателю. Мультиметр должен показывать разомкнутую цепь в положении "включено" (шнур надет) и замкнутую цепь в положении "выключено" (шнур снят). Если показания не соответствуют вышеуказанным, замените выключатель. Если показания приемлемы, проверьте другие выключатели.

Если выключатели исправны, возможно, причина неисправности в жгуте проводов.

ПРИМЕЧАНИЕ: Для выполнения следующего шага все выключатели и двигатель должны быть отсоединены от основного жгута (C41100300). Отключите все разъемы и проверьте мультиметром проводимость каждого провода, руководствуясь схемой соединений. Отремонтируйте или замените при необходимости.

СИСТЕМА ЗАЖИГАНИЯ РЗП

Проверка напряжения на зарядной катушке статора

Общие положения

При ручном запуске двигатель при вставленной свече имеет тенденцию ускоряться после точки сжатия. В результате этого магдино выдает неравномерные показания.

Условия проверки и анализ показаний см. 06-06-03.

  1. Отсоедините разъем коммутатора от жгута магдино.

  2. Подсоедините мультиметр к черному и красному проводам магдино, переключите мультиметр на V.

  3. Приведите ручной стартер в действие и проверьте показания мультиметра.

  4. Повторите операцию 3 раза.

  5. Сравните данные с таблицей "Проверка системы зажигания".

Проверка напряжения датчика

  1. Отсоедините разъем коммутатора от жгута магдино.

  2. Подсоедините одну клемму мультиметра к желтому проводу магдино, вторую клемму белому проводу ("масса" двигателя), переключите мультиметр на V.

  3. Приведите в действие ручной стартер и проверьте показания мультиметра.

  4. Повторите операцию 3 раза.

  5. Сравните данные с таблицей "Проверка системы зажигания".

Проверка напряжения на коммутаторе

  1. Отсоедините одноконтактные разъемы жгута коммутатора от катушки зажигания.

  2. Подсоедините к тем же разъемам жгута коммутатора клеммы мультиметра, переключите мультиметр на V.

  3. Приведите ручной стартер в действие и проверьте значение мультиметра.

  4. Повторите операцию 3 раза.

  5. Сравните показания прибора с таблицей "Проверка системы зажигания".

Проверка катушки зажигания

  1. Отсоедините одноконтактные разъемы жгута коммутатора от катушки зажигания

  2. Снимите наконечники со свечей.

  3. Проверьте сопротивление первичной и вторичной обмоток.

  4. Проверьте изоляцию катушки зажигания.

  5. Проверьте сопротивление наконечников свечей.

  6. Сравните показания с данными таблицы "проверка системы зажигания".

Проверка катушки освещения

ПРИМЕЧАНИЕ: Катушка освещения не является частью системы зажигания. Это отдельная система для обеспечения электропитания осветительных и других устройств переменного тока. Однако и эту систему можно проверить с помощью мультиметра.

  1. Отсоедините 4-х контактную колодку основного жгута от магдино.

  2. Подсоедините клеммы мультиметра к белым проводам и установите мультиметр в положение V.

  3. Приведите в действие ручной стартер и проверьте показания мультиметра.

  4. Повторите операцию 3 раза.

  5. Сравните показания прибора с таблицей "проверка системы освещения".

ПРОВЕРКА СИСТЕМЫ ЗАЖИГАНИЯ (РЗП)

Деталь

Что необходимо проверить

Цвет

провода

Подсоединение мультиметра

Сопротивление

Напряжение

V

Примечание

Ом

Вольт

Выключатели останова

Цепь в положении. "включено"

Черный и коричневый


мах


Все выключатели в положении "включено"

Цепь в положении. "выключено"


0


По крайней мере один выключатель в положении "выключено"

Зарядная катушка статора

Сопротивление

Напряжение

Черный и красный

550600

2535

Все выключатели останова выключены

Изоляция с массой

Черный и двигатель

мах

Термин "двигатель" относится ко всем металлическим деталям, соединенным с магдино

Изоляция с массой

Красный и двигатель

мах

Датчик

Сопротивление

Напряжение

Желтый или зеленый и двигатель

3,54,5

0,30,5

Коммутатор

Напряжение на выходе

Белый и голубой

2025

При работающем двигателе не измерять

Катушка зажигания

Сопротивление первичной обмотки

Между одноконтактными штыревыми разъемами

0,30,5

Сопротивление вторичной обмотки без наконечников свечи


Между свечными проводами

Изоляция с массой


Между свечным проводом и двигателем

мах

Наконечник свечи

Сопротивление


Со стороны свечи и со стороны провода



ПРИМЕЧАНИЕ: Термин выключателей останова двигателя "выключено", означает, отсутствие напряжения поступающего с зарядной катушки на коммутатор (следовательно, отсутствие искрового разряда на свечах) вследствие замыкания этими выключателями обмоток данной катушки.


Проверка системы освещения (РЗП)

Деталь

Что проверить

Цвет провода

Подсоединение клемм мультиметра

Сопротивление

Напряжение

V

Примечание

Ом

Вольт

Обмотка освещения

Сопротивление

Напряжение

Белый

и белый


0,12-0,15

3,0-7,0


Изоляция

Белый и двигатель


мах


Термин "двигатель" относится ко всем металлическим деталям, соединенным с магдино

Белый и двигатель


мах


СИСТЕМА ЗАЖИГАНИЯ DUCATI

Проверка напряжения на зарядной катушке статора

Общие положения

При ручном запуске двигатель при вставленной свече имеет тенденцию ускоряться после точки сжатия. В результате этого магдино выдает неравномерные показания.

Условия проверки и анализ показаний см. 06-06-03.

  1. Отсоедините разъем коммутатора от жгута магдино.

  2. Подсоедините мультиметр к зеленому и белому проводам магдино, переключите мультиметр на V.

  3. Приведите ручной стартер в действие и проверьте показания мультиметра.

  4. Повторите операцию 3 раза.

  5. Сравните данные с таблицей "Проверка системы зажигания".

Проверка напряжения датчика

  1. Отсоедините разъем коммутатора от жгута магдино.

  2. Подсоедините одну клемму мультиметра к проводу голубой/желтый магдино, вторую клемму к двигателю (масса), переключите мультиметр на V.

  3. Приведите в действие ручной стартер и проверьте показания мультиметра.

  4. Повторите операцию 3 раза.

  5. Сравните данные с таблицей "Проверка системы зажигания".

Проверка катушки освещения

ПРИМЕЧАНИЕ: Катушка освещения не является частью системы зажигания. Это отдельная система для обеспечения электропитания осветительных и других устройств переменного тока. Однако и эту систему можно проверить с помощью мультиметра.

  1. Отсоедините 4-х контактную колодку основного жгута от магдино.

  2. Подсоедините клеммы мультиметра к проводам магдино желтый и желтый/черный и установите мультиметр в положение V.

  3. Приведите в действие ручной стартер и проверьте показания мультиметра.

  4. Повторите операцию 3 раза.

  5. Сравните показания прибора с таблицей "проверка системы освещения".

Проверка системы зажигания (DUCATI)

Деталь

Что необходимо проверить

Цвет

провода

Подсоединение мультиметра

Сопротивление

Напряжение

V

Примечание

Ом

Вольт

Выключатели останова

Цепь в положении. "включено"

Черный и коричневый


мах


Все выключатели в положении "включено"

Цепь в положении. "выключено"


00,5


По крайней мере один выключатель в положении "выключено"

Зарядная катушка статора

Сопротивление

Напряжение

Белый и зеленый

230330

3060

Все выключатели останова выключены

Изоляция с массой

Белый и двигатель

00,5

Термин "двигатель" относится ко всем металлическим деталям, соединенным с магдино

Изоляция с массой

Коричневый и двигатель

00,5

Датчик

Сопротивление

Напряжение

Голубой /желтый и двигатель

140180

29

Коммутатор со встроенным трансформатором

Сопротивление вторичной обмотки без наконечников свечи

Между высоковольтными проводами

5,1к6,3к


Наконечники свечей и свечи должны быть отсоединены

Напряжение на вторичной обмотке трансформатора


При работающем двигателе не измерять

Наконечник свечи

Сопротивление


Со стороны свечи и со стороны провода




ПРИМЕЧАНИЕ: Термин выключателей останова двигателя "выключено", означает, отсутствие напряжения поступающего с зарядной катушки на коммутатор (следовательно, отсутствие искрового разряда на свечах) вследствие замыкания этими выключателями обмоток данной катушки.


Проверка системы освещения (DUCATI)

Деталь

Что проверить

Цвет провода

Подсоединение клемм мультиметра

Сопротивление

Напряжение

V

Примечание

Ом

Вольт

Обмотка освещения на статоре

Сопротивление

Напряжение

Желтый и желтый /черный


0,05-0,6

2,5-7,0


Изоляция

Желтый и двигатель


мах


Термин "двигатель" относится ко всем металлическим деталям, соединенным с магдино

Желтый /черный и двигатель


мах


ПРИМЕЧАНИЕ: Выключатели останова включают в себя замок зажигания, выключатель аварийного останова двигателя со шнуром и выключатель экстренного останова двигателя на руле.

Необходимо заметить, что измерение напряжения следует проводить при запуске двигателя ручным стартером. Напряжение, полученное при запуске, пропорционально силе, приложенной к ручному стартеру.

Вследствие этого низкое напряжение является нормой.

Проводите проверку в указанном порядке и заменяйте любую деталь, если она не соответствует спецификации.

Важно возобновить все операции проверки при замене какого-либо компонента.

Если не указано иначе, последовательность проверки присоединений важной роли не играет.

Проверка изоляции цепи переменного тока

Все модели с электростартером

Если цепь переменного тока не изолирована от массы, дальний свет горит слабо.

Осмотр

  1. Отсоедините регулятор напряжения.

  2. Подсоедините одну клемму цифрового омметра (стрелочный омметр не дает достаточной точности) к раме, а другой последовательно к желтому и белому проводам основного жгута.

  3. Измеряемое сопротивление должно быть бесконечным. Если нет, то имеет место замыкание цепей переменного тока и постоянного тока.

  4. Отсоедините каждую цепь по очереди и устраните неисправность.

Проверка нагревательных элементов

1. Отсоедините разъем нагревателей от основного жгута

2. Установите переключатель мультиметра в положение "" для измерения сопротивления.

3. Подсоедините щупы прибора к белому и голубому проводам

4. Показания прибора должны соответствовать указанным. Если показания прибора показывают разрыв цепи нагревателя (сопротивление = мах), то нагреватель следует заменить.

Нагревательные элементы рукояток руля и рычага газа

Замер сопротивления

Нагревательный элемент рукояток руля

Номера контактов разъема

2-5 и 3-6

9,6 Ом

Нагревательный элемент рычага газа

Номера контактов разъема 1-4

46 Ом